岩田製作所 IWATA
IWATA ワッシャー SUS304
WS0806-2
規格にないサイズや板厚のワッシャーを標準化です。
通常価格 ¥170(税別)
JAN:4549702548114 
お取り寄せ 
3月上旬以降出荷予定
「ご注文時の状況によりお届けまでに平常時よりも長い期間を要する場合がございます。お急ぎの場合は営業担当者へお問い合わせください。」

 数量

■規格にないサイズや板厚のワッシャーを標準化です。
■ボルト締め付け時の座面を確保します。
■バネ座やスペーサーとしてもお使いいただけます。

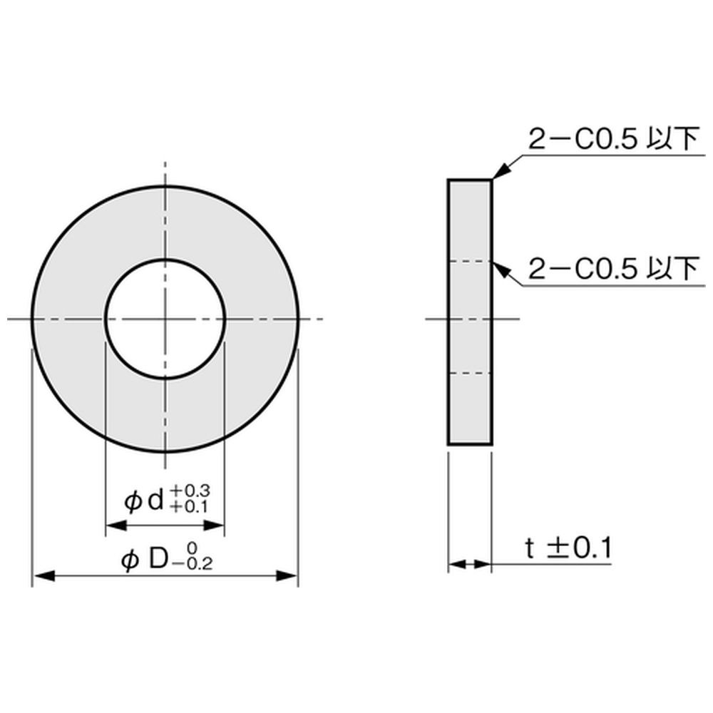
【仕様】
・外径(mm): 8
・内径(mm): 6
・厚さ(mm): 2

【材質/仕上】
・ステンレス


商品スペック
メーカー希望
小売り価格(税別)
オープン