スーパーツール SUPER TOOL
アイアンマン(仮設用狭締金具)CPA.9~36 AC36 AC36
AC36
従来の溶接やボルト接合に比べて、作業時間を大幅に短縮します。
通常価格 ¥1,655(税別)
JAN:4967521140942 
○通常3〜6営業日以内にお届け 

 数量

■従来の溶接やボルト接合に比べて、作業時間を大幅に短縮します。
■ボルトが外れることなく、鋼材を強く確実にクランプします。
■本体背部の穴は、防護シート張りやロープ張りなどに利用できます。

【用途】
・乗り入れ構台、オーバーブリッジ、作業台、足場、支持保工架台、置構台、仮設橋などに。
・主に仮設構造物のボルトレス挟締に。

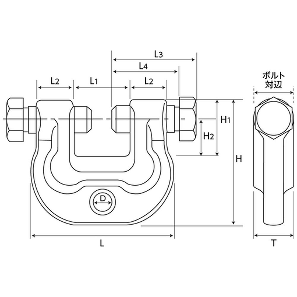
【仕様】
・全長(mm): 90
・全高(mm): 65
・ふところ深さ(mm): 35
・クランプ範囲(mm): 9〜36
・最大口開き(mm): 25
・幅(mm): 20
・保証荷重(kN): 10
・ボルト締付力(N・m): 49
・ボルト: M12・6角対辺17mm
・L(mm): 90
・T(mm): 20
・L1(mm): 40
・L2(mm): 20
・L3(mm): 48
・L4(mm): 40
・H(mm): 65
・H1(mm): 35
・H2(mm): 25
・D(mm): 6

【材質/仕上】
・特殊鋼


商品スペック
メーカー希望
小売り価格(税別)
\1,840