トラスコ中山 TRUSCO NAKAYAMA
PC管用Uボルト クロメート 呼び径25A ねじ径W3/8 TPCUBT25A
TPCUBT25A
U字金具の代表的な製品です。
通常価格 ¥233(税別)
JAN:4989999282542 
○通常3〜6営業日以内にお届け 

 数量

■U字金具の代表的な製品です。
■配管支持金具としては、最も古くからのスタンダードな製品です。
■横配管、縦配管にも利用できます。

【用途】
・PC管パイプ締め付け金具。

【仕様】
・適合管外径D: 25A
・適合管外径(mm): 37.6
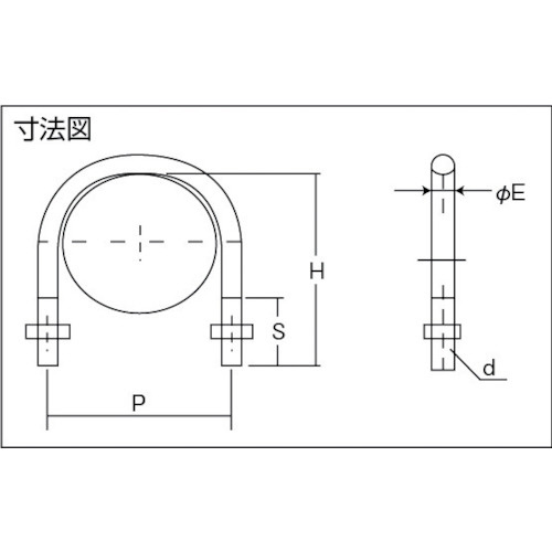
・P(mm): 49
・H(mm): 60
・S(mm): 25
・E(mm): 8.3
・d(mm): W3/8
・呼び径A: 25
・呼び径B: 1
・呼び径(mm): 34.00

【材質/仕上】
・スチール(SWCH)

【セット内容/付属品】
・3/8ナット 2個


詳しくは以下のサイトもご参照ください。 ※外部サイトへリンクします。
メーカーサイト:こちらをクリック   
商品スペック
メーカー希望
小売り価格(税別)
\160