ロブテックス Lobtex
エビ ブラインドリベット皿頭(1000本入) アルミ/スティール 4−3 NSA43K
NSA43K
表面を平らに保つ場合にご利用下さい。
通常価格 ¥3,346(税別)
JAN:4963202030038 
○通常3〜6営業日以内にお届け 

 数量

■表面を平らに保つ場合にご利用下さい。

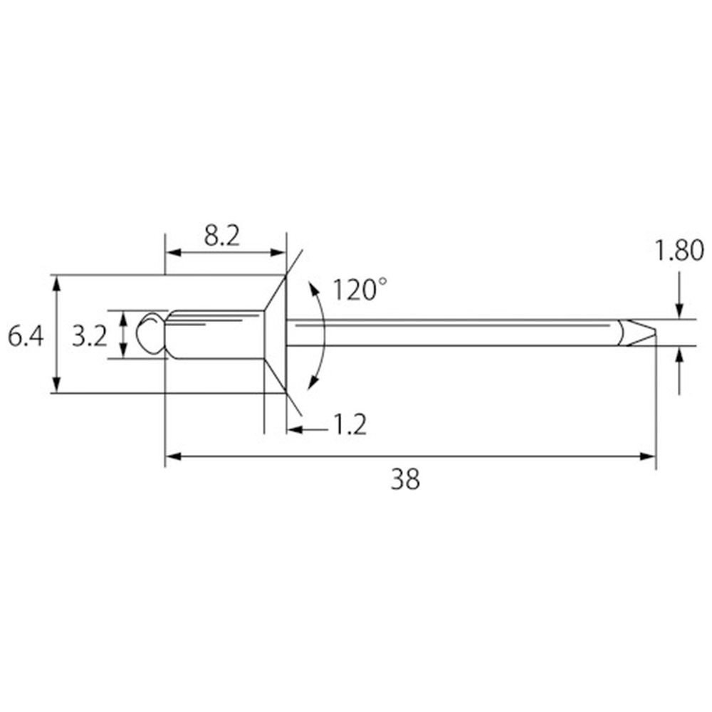
■フランジ部皿頭

■金属同士の締結、プラスチック類同士の締結の他、異種母材(金属とプラスチック類など)の締結に。

商品スペック
メーカー希望
小売り価格(税別)
オープン
仕様 ■かしめ板厚(mm):1.6〜4.8 ■リベット長(mm):8.2 ■フランジ径(mm):6.4 ■リベット径(mm):3.2 ■下穴径(mm):3.3〜3.4 ■せん断荷重(N):970 ■引張荷重(N):1360 ■【材質/仕上げ】 リベット本体(フランジ):アルミ(A5154) マンドレル(シャフト):スチール(炭素鋼) ■原産国:日本 ■質量:1.05KG