トラスコ中山 TRUSCO NAKAYAMA
TRUSCO TSF20用EasyナットSS(M5)CN TSFBPN39
TSFBPN39
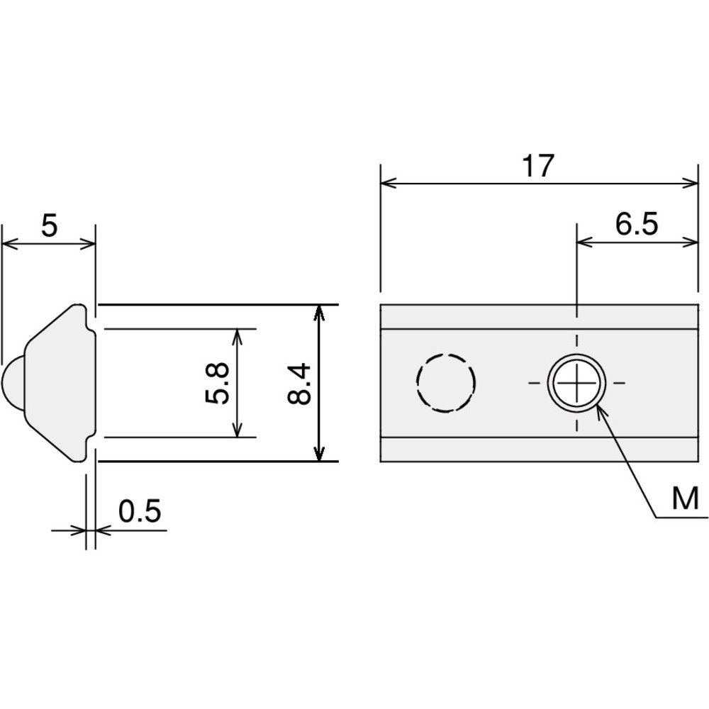
フレームのT溝に挿入する専用ナットです。
通常価格 ¥91(税別)
JAN:4989999152913 
○通常3〜6営業日以内にお届け 

 数量

■フレームのT溝に挿入する専用ナットです。

■ワンタッチで後入れ可能。またスベリ防止機能付きです。

■適用ボルト:M5

■ナット挿入:後入れ

■スベリ防止機能付き

■M5用

■T溝幅6mm用

■S10C相当

詳しくは以下のサイトもご参照ください。 ※外部サイトへリンクします。
メーカーサイト:こちらをクリック   
商品スペック
メーカー希望
小売り価格(税別)
オープン


よく一緒に購入されている商品はこちら