八幡ねじ YAHATA NEJI
YAHATA 六角穴付皿ボルト全ねじ 黒色酸化被膜 M8×15 (100本入) 4580141793697
4580141793697
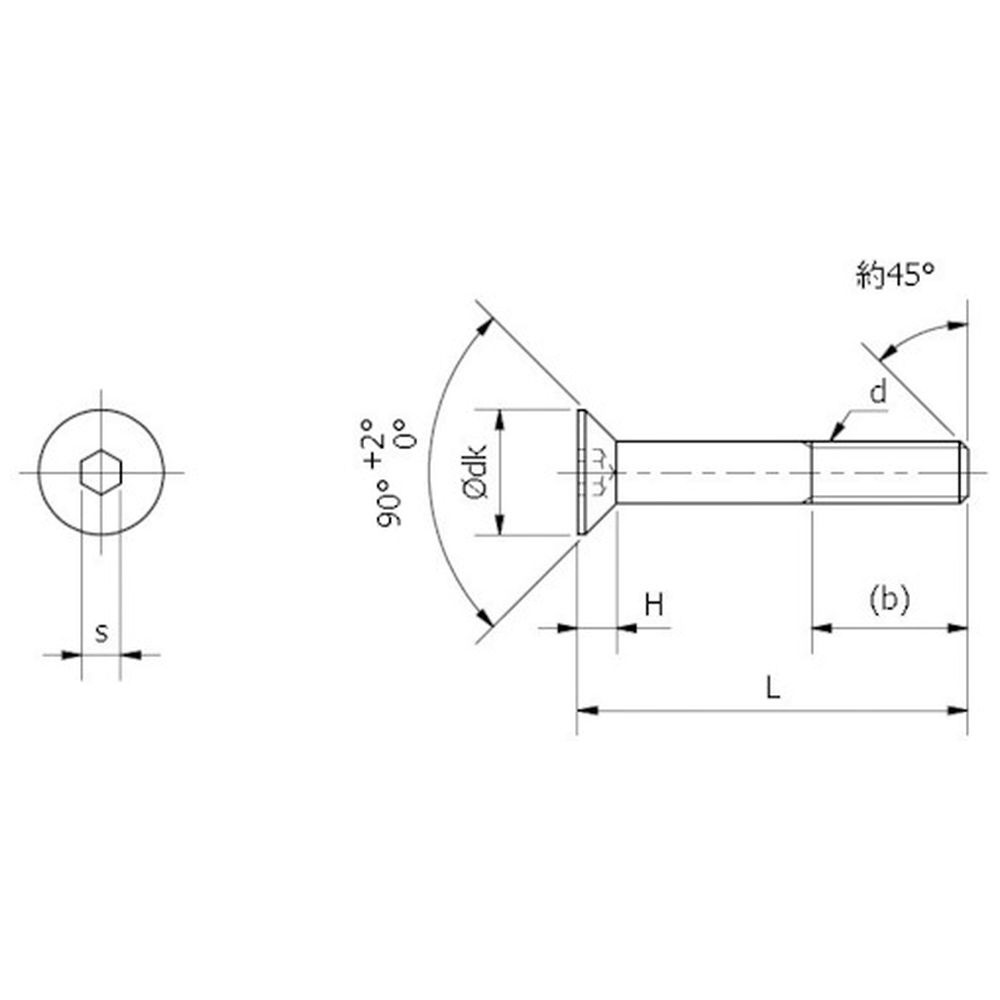
皿型形状の頭部で六角穴付きですので、小ねじより強く締付けることができます。
通常価格 ¥1,973(税別)
JAN:4580141793697 
お取り寄せ 
5月中旬以降出荷予定
「ご注文時の状況によりお届けまでに平常時よりも長い期間を要する場合がございます。お急ぎの場合は営業担当者へお問い合わせください。」

 数量

■皿型形状の頭部で六角穴付きですので、小ねじより強く締付けることができます。
■六角穴は、六角穴付ボルトより一回り小さくなっています。
■合金鋼に熱処理を施し強度を高くしてあります。
■めっきはしてありません。

【用途】
・機械、車両等の一般的な締付けに用い、小ねじでは締付けが足りず、頭が出ては困る場合に。
・常に油のかかる環境下か耐食性を必要としない場所に。

【仕様】
・寸法(mm)d: M8
・寸法(mm)L: 15
・ねじピッチ(mm): 1.25
・六角穴対辺寸法(mm): 5
・頭部径(mm): 16
・頭部高さ(mm): 4.96
・首下長(mm): 15
・ねじ径(mm): M8

【材質/仕上】
・合金鋼


商品スペック
メーカー希望
小売り価格(税別)
オープン